低成本电阻网络兼容FPGA D-PHY的简要概括

详细介绍MIPI CSI接口中D-PHY物理层在7系列FPGA上的兼容性解决方案

周三 10月 01 2025
670 字 · 3 分钟

MIPI CSI作为一种广泛应用于相机的高速串行接口,使用D-PHY作为物理层接口进行物理信号的收发。

本文简述了1xapp894在mipi摄像头在7系列兼容性问题。

如下图所示:

相机作为Master,使用CSI发送器传输信息(标准为4个数据Lane和1个时钟Lane)。但是在我的项目中使用IMX219和OV5647摄像头(2个数据Lane和1个时钟Lane)。

下方通过IIC或者SCCB协议进行摄像头寄存器配置。

CSI摄像头框图

D-PHY:就是一种PHY(PHYsical Layer)物理层,负责将数字信号转换为PCB上的电信号进行传输。

它包含了 SLVS (high-speed)差分对 和 LVCMOS (low-power)差分对。

SLVS电平

我们关注的是HS(高速模式)下的共模电压VCMTX=200mV 和 差模电压|VOD|。下面举个简单例子来了解差模、共模和逻辑’1’、‘0’:

状态 A (例如,逻辑 ‘1’):

​ V(D+) = Vcm + Vdiff/2 = 200mV + 100mV = 300mV

​ V(D-) = Vcm - Vdiff/2 = 200mV - 100mV = 100mV

​ (此时差值 V(D+) - V(D-) = +200mV)

状态 B (例如,逻辑 ‘0’):

​ V(D+) = Vcm - Vdiff/2 = 200mV - 100mV = 100mV

​ V(D-) = Vcm + Vdiff/2 = 200mV + 100mV = 300mV

​ (此时差值 V(D+) - V(D-) = -200mV)

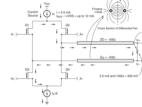
**LVDS:**下面2张图简要描述了LVDS发射端和接收端

作为LVDS发射端,它最上方有VDD,下面跟着一个IS=3.5mA的恒流源,为单线提供了VCCO/2的偏置。

LVDS发射端

接收端就比较简单了,就是一个差分放大器,所以对共模噪声有很强的抑制能力,但是!!!!!!输入的信号有一个共模电压范围要求,这个共模电压最小值在使用100欧姆终端电阻的情况下是300mV(见下方图三)

在7系列FPGA的HR bank中可以自己选择开启或者关闭RTERM,在HP bank中只能选择外接一个100欧姆或者更高阻值的电阻(后文会讲到,这是兼容的关键!)

LVDS接收端

LVDS电平

引用文献中提到:‘The LVDS receiver in the FPGA can lower the common mode voltage to 300 mV when using the internal on-die termination resistors. When using external termination resistors, the common mode voltage can drop to 100 mV.’

文中提到当使用外接终端电阻时,可以容忍的共模电压可以降到100mV!!

于是提出可以用外接电阻R9,把LVDS的最小容忍共模电压降到100mV,完美符合SLVS的共模电压为200mV的要求!!这种方法的缺点是单Lane速度只能支持到800Mb/s。

对于我项目中的IMX219和OV5647摄像头,这个速度已经能够流畅支持70fps的1080p画质视频了!!

低成本电阻网络兼容FPGA_DPHY方法

好消息是我刚好有bank13是空闲的,作为摄像头的bank,正好可以使用LVDS_25标准!!

HR bank LVDS25


Thanks for reading!

低成本电阻网络兼容FPGA D-PHY的简要概括

周三 10月 01 2025
670 字 · 3 分钟